Explorar

Anunciar en Engormix

Estudio comparativo de tres cepas vacunales del virus causante de la enfermedad de la bursa en pollos de engorde

Publicado: 15 de junio de 2010
Fuente: Elsy Saume, María J. Castro (Instituto Nacional de Investigaciones Agrícolas, Centro Nacional de Investigaciones Agropecuarias, Sanidad Animal), Elio Sogbe (Laboratorio Diasog), y Marisela Ascanio (Facultad de Agronomía, Universidad Central de Venezuela). Venezuela.
Resumen

RESUMEN

El virus de la enfermedad infecciosa de la bursa (EIB) produce una de las más importantes enfermedades inmunodepresivas del sector avícola comercial. El presente estudio fue diseñado con el propósito de comparar el efecto producido sobre la bursa en pollos vacunados con las cepas suave, intermedia e intermedia plus de la EIB a través de la relación peso bursa/peso corporal y de diferentes cambios histopatológicos. Se realizó un ensayo con 200 pollos broiler del hibrido cobb x cobb, divididos en 4 grupos de 50 pollos, cada grupo se formó con 5 réplicas de 10 pollos. Los tratamientos consistieron en cuatro grupos: control (A), vacunados con la cepa suave (B), con cepa intermedia (C) y con cepa intermedia plus (D). Los pollitos fueron vacunados a los 10 días de edad y sacrificados a los 8, 16, 22 y 32 días post vacunación (PV) registrándose el peso corporal, y de la bursa, así como los cambios histopatológicos en la bursa. A los 32 días PV sólo el grupo vacunado con la cepa intermedia plus presento atrofia bursal y diferencias (P<0,05) histopatológicas con los otros grupos, En el grupo, se observaron lesiones microscópicas mayores, y una menor reactividad a los 8 y 32 días PV. Estos resultados sugieren que la cepa intermedia plus de la EIB es más invasiva, evidenciándose a través de bursas más pequeñas con mayores lesiones microscópicas.

Palabras clave: enfermedad infecciosa de la bursa, cepas vacunales, bursa.

Comparative study of three vaccine strains of the virus that affect the bursa in broilers


ABSTRACT

The virus that infects the bursa In broilers (IBDV) causes one of the most important immunosuppressive diseases in commercial poultry. The present study was designed to compare the effect on the broiler’s bursas of three vaccines made with three different viral strains, mild, intermediate and intermediate plus, of IBDV. It was evaluated by means of comparing the bursa/body weight ratios and bursa histopathological changes. The experiment was conducted with 200 cobb x cobb broiler chickens, divided in 4 groups of 50 chickens each. Each group consisted of 5 replicates of 10 chickens each. The groups were: (A) no vaccinated (control); (B) vaccinated with the mild strain, (C) vaccinated with the intermediate strain, and (D) the vaccinated with the intermediate plus.strain. The chicks received a first vaccination at ten days old. Chicks were slaughtered at 8, 16, 22, and 32 days post vaccination (PV), and body and bursal weights were recorded and bursa tissues were examined for histopathological changes. At 32 days PV only the intermediate plus vaccine produced atrophy of the bursa and significant histopahological differences (P<0.05) with the other groups. For the D, there were observed larger microscopic lesions and low reactivity at 8 and 32 d PV. These results suggest that the intermediate plus IBDV vaccine is more invasive as evidenced by smaller bursas and larger microscopic lesions.

Keywords: bursa infection, vaccinal strains, bursa.

INTRODUCCIÓN
La enfermedad infecciosa de la bursa (EIB) o enfermedad de Gumboro continúa siendo motivo de preocupación en la industria avícola, debido al impacto económico que representa debido a la disminución de la productividad en el sector, como consecuencia del efecto inmunosupresor que produce en las aves.
La enfermedad está ampliamente distribuida en el mundo (Morales, 1995). Esta enfermedad es producida por un birnavirus que genera inmunosupresión en el sistema inmune humoral de las aves y es bastante resistente a las condiciones ambientales y a los desinfectantes (Rosales, 1989). La protección del pollo contra la EIB a través del uso de vacunas se complica por la presencia de dos serotipos y de varios subtipos antigénicos del virus o variantes. Virus de los serotipos 1 y 2 han sido observados en pollos, pero solo el serotipo 1 causa inmunosupresión. La vacunación con un antígeno específico del serotipo 1 no siempre va a proteger a los pollos contra la enfermedad cuando el antígeno del reto sea de un subtipo diferente (Jackwood, 1999).
El diseño de un programa de vacunación exitoso está basado en algunos factores como: 1) Cantidad de virus en el medio ambiente. 2) Diversidad antigénica del virus. 3) Nivel de inmunidad materna y la uniformidad de estos anticuerpos. 4) Cepa vacunal utilizada, ya que algunas cepas tienden a ser más virulentas que otras (Lukert, 1991a). Se han desarrollado vacunas atenuadas o suaves que no causan daño en la bursa, así como vacunas intermedias más patógenas que las suaves y que fueron desarrolladas a causa de la interferencia de los anticuerpos maternales con la vacunación con cepas atenuadas. También existen las cepas vivas virulentas o cepas calientes que se administraron en parvadas donde existían desafíos altamente virulentos (Avellaneda y Villegas, 1995) y las cepas llamadas intermedias plus que sustituyen a las cepas calientes por ser menos patógenas, pero que también pueden causar atrofia de la bursa de Fabricio y son utilizadas donde existen variantes del virus (Dormitorio et al., 1996). Banda y Villegas (2004) caracterizaron genéticamente virus altamente virulentos detectados en Venezuela, encontrando que son semejantes a los virus encontrados en Europa y Asia, los cuales están asociados a hemorragias generalizadas en músculos y en la bursa, motivo por el cual se ha generalizado el uso de vacunas intermedia plus en el país.
El objetivo de esta investigación fue comparar el efecto producido sobre la bursa por el uso de las cepas vacunales de EIB, suave, intermedia e intermedia plus, a través de la relación peso bursa/peso corporal y de los diferentes cambios histopatológicos durante un ciclo de producción en pollos de engorde.
 
MATERIALES Y MÉTODOS
Se utilizaron un total de 200 pollos del hibrido cobb x cobb de un día de edad, provenientes de una incubadora comercial y de un mismo lote de reproductoras, a los cuales se les suministro alimento comercial y agua ad libitum.
Se realizaron 4 tratamientos, cada uno con 5 replicas de 10 pollos, para un total de 50 pollos por tratamiento. Los grupos de tratamientos fueron: A) Control no vacunado, B) vacunado con cepa suave, C) vacunado con cepa intermedia y D) vacunado con cepa intermedia plus. A los diez días de edad fueron vacunados en el agua de bebida a la dosis recomendada por el laboratorio productor de los biológicos utilizados.
Previo a la vacunación se les realizó titulación de los anticuerpos maternales mediante la técnica de ensayo inmunoenzimático ELISA, los cuales tuvieron un título promedio de 2.579, lo que nos indicó la caída natural de los anticuerpos maternales, siendo el momento optimo de realizar la vacunación ya que altos niveles de estos inhiben la respuesta inmune producida por la vacunación. (Naqi et al., 1983).
Se realizó el pesaje de las aves semanalmente a partir de la vacunación y la necropsia a 5 aves por grupo semanalmente hasta el final del ensayo para extracción de la bursa, pesaje, observación macroscópica y realización de histopatología. Para esto último, las muestras fueron fijadas en formalina neutra al 10% buffer y teñidas con hematoxilina y eosina (Allen, 1995). Una vez coloreadas se procedió a la observación de las lesiones mas representativas y la reactividad. (Kim et al., 1999).
En el análisis estadístico de los datos de peso ave, peso bursa y relación peso bursa/peso corporal, se realizó análisis de varianza y la prueba de Tukey, con un nivel de significancia de P<0,05. Para el análisis de los resultados de la reactividad de las bursas, se utilizó el método no paramétrico de Kruskal-Wallis con un nivel de significancia de P<0,05 y se convirtieron en escala numeral según los resultados de reactividad: + = 1, +/++ = 2, ++ = 3, ++/+++ = 4, +++ = 5. La relación peso bursa/peso corporal (PB/PC) se calculó dividiendo el peso de la bursa entre el peso del ave multiplicado por 1000 (Giambrone y Closse, 1990).
 
RESULTADOS Y DISCUSIÓN
Al observar las bursas, macroscópicamente, no se observaron lesiones evidentes como edema y hemorragia, resultado similar al señalado por Rautenschlein et al. (2005).
En la relación peso bursa/peso cuerpo (PB/PC), promedio por grupo de tratamiento (Cuadro 1), se observó que a los 10 días de edad prevacunación los pollos de los grupos C (vacunados con cepa intermedia) y D (vacunados con cepa intermedia plus) presentaron bursas más pequeñas que el resto de los grupos; sin embargo, a los 8 días post vacunación no se observaron diferencias significativas (P>0,05) entre los grupos. Kuliková et al. (2004) evaluaron la relación PB/PC a los 10 días PV de aves vacunadas con cepas suaves, intermedias y fuertes, observando diferencias significativas entre los grupos vacunados con cepas fuertes y en un grupo vacunado con una cepa suave con los grupos de cepas intermedias. A los 16 días post vacunación los pollos vacunados con la cepa intermedia presentaron atrofia de la bursa, al igual que los vacunados con las cepas intermedia plus. 

Cuadro 1. Relación Peso Bursa/Peso Cuerpo promedio por grupo de tratamiento. 

TratamientoPre-vacunaciónDías Post-vacunación

8162232

No vacunado
3,31a
2,34ab†
2,38a
2,59a
2,88a
Vacunado cepa suave
3,31a
1,87a
2,97a
2,65a
2,36a
Vacunado cepa intermedia
2,29ab
1,72a
1,55b
1,86a
2,33a
Vacunado cepa intermedia plus
1,82b
2,03a
2,00ab
2,48a
1,20b

† Valores con distintas letras en la misma columna son diferentes estadísticamente (P<0,05).
 

 Cuadro 2. Reactividad de las bursas por histopatología.

Tratamiento
Pre-
vacunación
Días Post-vacunación

8162232

No vacunado
+/++a
++a
++/+++a
++/+++a
++/+++a
Vacunado cepa suave
+a
++a
++b
++/+++a
++/+++a
Vacunado cepa intermedia
+a
+/++ab
++b
++/+++a
+++a
Vacunado cepa intermedia plus
+a
+b
++b
++/+++a
++b

† Valores con distintas letras en la misma columna son diferentes estadísticamente (P<0,05).
Kuliková et al. (2004) reportan también atrofia en pollos vacunados con las cepas intermedias. A los 32 días post vacunación al final del ensayo sólo el grupo D (vacunado con la cepa intermedia plus) presentó atrofia de la bursa con el menor índice de relación PB/PC. Lukert (1991b) señala que las cepas suaves no tienen efecto significativo en la bursa. A su vez, Rautenschlein et al. (2005) reseñan que al vacunar pollos con cepas intermedia e intermedia plus, al final del ensayo sólo el grupo vacunado con la cepa intermedia plus presento disminución significativa de la relación PB/PC. Según Ceruti et al. (2004) esto se debería a que la relación PB/PC es favorecida con las vacunas de menor patogenicidad. Hassanzadeh et al. (2006) observaron que la relación PB/PC de aves vacunadas con diferentes planes de vacunación, incluyendo la vacuna complejo virus-anticuerpo en Ovo al día 18, no tuvieron diferencias significativas entre sí, pero hubo diferencias significativas con el grupo no vacunado, no desafiado, el cual obtuvo la mejor relación PB/PC. No obstante, Mazariegos et al. (1990) indican que la relación PB/PC no siempre resulta un buen indicador, ya que algunos pollos que no mostraron mayores cambios en la relación PB/PC, no respondieron adecuadamente a la vacunación contra Newcastle, teniendo además severas lesiones microscópicas en la bursa. 
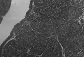
 Estudio comparativo de tres cepas vacunales del virus causante de la enfermedad de la bursa en pollos de engorde - Image 1Estudio comparativo de tres cepas vacunales del virus causante de la enfermedad de la bursa en pollos de engorde - Image 2 
Grupo AGrupo B
Estudio comparativo de tres cepas vacunales del virus causante de la enfermedad de la bursa en pollos de engorde - Image 3 Estudio comparativo de tres cepas vacunales del virus causante de la enfermedad de la bursa en pollos de engorde - Image 4 
Grupo CGrupo D
Figura 1: Micrografias de Bursas de Fabricio. 40x. Pollos de 42 días de edad. Grupo A (control) bursa normal, folículos linfoides homogéneos con distribución uniforme de la población linfocitaria. Grupo B (cepa suave), bursa similar a lo observado en el grupo control. Grupo C (cepa intermedia) bursa con aspecto completamente normal, similar a lo observado en los grupos A y B. Grupo D (cepa intermedia plus), se observan folículos linfoides con 1: depleción linfoide centro folicular, 2: persisten aún focos de necrosis, 3: intento de repoblación linfoide, 4: edema interfolicular.
NE: Pulse sobre la imagen para obtener mayor resolución
En el estudio de reactividad de las bursa por histopatología (Cuadro 2) se observó que hubo diferencias significativas (P<0,05) a los 8 días post vacunación entre el grupo D (vacunado con la cepa intermedia plus) y el resto de los grupos. A los 16 días post vacunación, la mejor reactividad la presentó el grupo A (control) con diferencias significativas con los demás grupos de tratamiento, mientras que a los 22 días la reactividad fue igual para todos. A los 32 días post vacunación hubo diferencias significativas en el grupo D, presentando menor reactividad (Figura 1) con respecto a los demás grupos.
Giambrone y Clay (1986) indican que las cepas más invasivas y patógenas inducen bursas más pequeñas y mayores lesiones microscópicas en la bursa, por ello el grupo D (cepa intermedia plus) a los 32 días post vacunación presentó atrofia de la bursa y microscópicamente menor reactividad. Estos resultados también pueden ser debido a que la velocidad de recuperación de la bursa varía con la virulencia del virus utilizado (Kim et al., 1999).
Rautenschlein et al. (2003) al evaluar bolsas de Fabricio de aves vacunadas con cepas intermedias observaron recuperación folicular con aumento de la repoblación linfocitaria a los 8 días PV. Rautenschlein et al. (2005) reportan que la cepa intermedia plus, induce lesiones similares con la bursectomia, ya que disminuyen las células de replicación del virus, produciendo incremento de lesiones microscópicas, concordando con los resultados obtenidos.
Los resultados de esta investigación nos indican que en el grupo A (control) y el grupo B (cepa suave) los cambios de maduración folicular son similares y obedecen al progreso orgánico e inmunológico del ave, evolucionando de acuerdo a la edad para la época de beneficio, concordando esto con la relación PB/PC. En el grupo C (cepa intermedia) la recuperación de la población linfocitaria en los folículos linfoides después del proceso de necrosis inicial es adecuada y acorde con la relación PB/PC.
En el grupo D (cepa intermedia plus) la capacidad de los folículos linfoides para reestablecer la población de linfocitos después de los fenómenos de necrosis inducidos por el virus vacunal, fueron insuficientes para la repoblación linfoide adecuada y sólo presentaron reactividad moderada que concuerda con los resultados de la relación PB/PC, recomendándose el uso de este tipo de vacunas en zonas de alto desafío y como segunda dosis.
 
CONCLUSIONES
Se concluye que las cepas vacunales suave e intermedia pueden ser utilizadas como prevención de la enfermedad en la primo vacunación y en aves ubicadas en zonas de bajos o medianos desafíos. Se recomienda la aplicación de las cepas vacunales intermedia plus de la enfermedad infecciosa de la bursa, por ser más invasiva, como segunda dosis y en zonas de alto desafío.

LITERATURA CITADA
  1. Allen T.C. 1995. Hematoxilina y eosina. En Registro de Patología de los Estados Unidos de América (Ed) Métodos Histológicos. 3ra ed. American Registry of Pathology. Washington, D.C. pp. 55-60
  2. Avellaneda G y Villegas P. 1995. Enfermedad infecciosa de la bolsa (Gumboro): Programas de control. Avicultura Profesional, 13(1): 27-32.
  3. Banda A. y Villegas P. 2004. Bursal disease viruses from Latin America. Avian Dis., 48: 540-549.
  4. Ceruti R., L. Gavazzi, G. Grillo y A. Zanella. 2004Infectious bursal disease: Field evaluation on effects of two vaccines with different level of residual pathogenicity in broilers. Proc. 53th Western Poultry Disease Conference. Sacramento, California, USA. pp. 34-36
  5. Dormitorio T.V., J.J. Giambrone y L.W. Duck. 1996. Sequence comparisons of the variable VP2 region of eight infectious bursal disease virus isolate. Avian Dis., 40: 496-497.
  6. Giambrone J.J. y R.P. Clay. 1986. Evaluation of the immunogenicity, stability, pathogenicity, and immunodepressive potencial of four commercial live infectious bursal disease vaccines. Poultry Sci., 65(7): 1287-1290.
  7. Giambrone J.J. y J. Closser. 1990. Efficacy of live vaccines against serologic subtype of infectious bursal disease virus. Avian Dis., 34: 7-11.
  8. Hassanzadeh M., M. Hassan, B. Fard y A. Tooluo. 2006. Evaluation of the immunogenisity of immune complex infectious bursal disease vaccine delivered in ovo to embryonated eggs or subcutaneously to day-old chickens. Inter. J. Poultry Sci., 5(1): 70-74.
  9. Jackwood D. 1999. Biotecnología de la infección bursal. Memorias XIII Congreso Latinoamericano de Avicultura. Amevea, Univ. Georgia. Athens, Georgia. pp.30-36.
  10. Kim I., M. Gajic y M. Sharma. 1999. Recovery of antibody producing ability and lymphocyte repopulation of bursal follicles in chickens exposed to infectious bursal disease virus. Avian Dis., 43: 401-413.
  11. Kuliková L., V. Jurajda y R. Juranová. 2004. Effects of infectious bursal disease vaccination strains on the immune system of Leghorn chickens. Acta Vet. Brno., 73: 205-209.
  12. Lukert P. 1991a. Uso de vacunas vivas contra la enfermedad de gumboro en presencia de anticuerpos maternos. Boletín No. 36, Laboratorios Vineland. Vineland, New Jersey. USA.
  13. Lukert P. 1991b. Vacunación exitosa. Guías para la prevención de pérdidas por enfermedad y mayores ganancias. Boletín No. 39, Laboratorios Vineland. Vineland, New Jersey. USA.
  14. Mazariegos L.A., P.D. Lukert y J. Brown. 1990. Pathogenicity and immunosuppressive properties of infectious bursal disease intermediate strains. Avian Dis., 34: 203-208.
  15. Morales O. 1995. Actualidades en el control de la enfermedad infecciosa de la bursa. Memorias VI Congreso Nacional de Avicultura. Fenavi, Maracaibo, Zulia. Venezuela. pp. 360-364.
  16. Naqi S., B. Marquez y N. Sahin. 1983. Maternal antibody and its effect on infectious disease immunization. Avian Dis., 27: 623-631.
  17. Rautenschlein S., H. Yeh y J. Sharma. 2003. Comparative immunopathogenesis of mild, intermediate, and virulent strains of classic infectious bursal disease virus. Avian Dis., 47: 66-78.
  18. Rautenschlein S., Ch. Kraemer, J. Vanmarcke y E. Montiel. 2005. Protective efficacy of intermediate and intermediate plus infectious bursal disease virus (IBDV) vaccines against very virulent IBDV in comercial broilers. Avian Dis., 49: 231-237.
  19. Rosales G. 1989. Control de la enfermedad de gumboro. Avicultura Profesional, 7(2): 70-72.
Temas relacionados:
Autores:
Elsy Saume de Sabaté
INIA Venezuela
INIA Venezuela
Recomendar
Comentar
Compartir
Profile picture
¿Quieres comentar sobre otro tema? Crea una nueva publicación para dialogar con expertos de la comunidad.
Usuarios destacados en Avicultura
Fernanda Lima de Souza Castro
Fernanda Lima de Souza Castro
Cargill
Cargill
Gerente de serviços técnicos
Estados Unidos de América
Ana Maria Villegas-Gamble
Ana Maria Villegas-Gamble
Pilgrim´s
DVM, MS, Ph.D. / Directora de Nutrición
Estados Unidos de América
Jose Salazar
Jose Salazar
Grupo Nutec
Estados Unidos de América